IMPORTANT

  • All flip flops are just latches that are activated by an edge

Flip flop/Latches

  • Bistable

    • they remember the previous input and keep it until another input is entered
  • These are sequential circuits

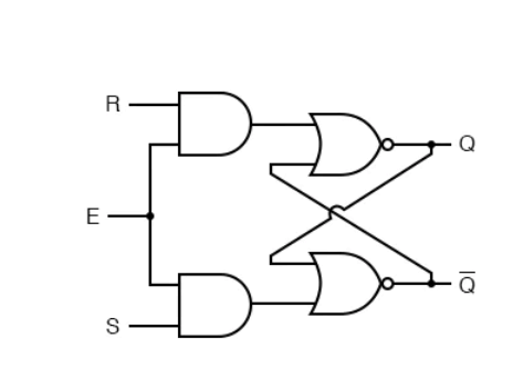
  • SR Flip-Flop

      • it will output 1 if set is 1 and will stay 1 until reset is pressed
        • when reset is active it turns off
          • it latches
  • Gated SR

      • Much like the SR flip flop, but instead it now has a and gate that is the “enable” pin so it would output nothing unless
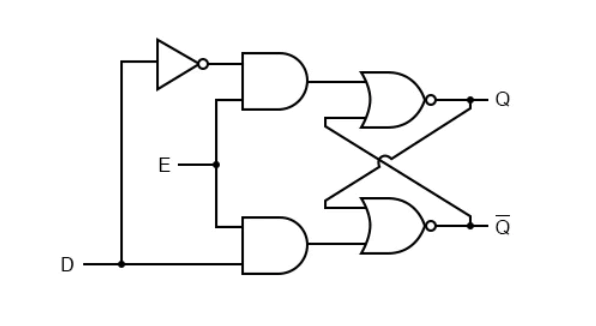
  • D Flip flop

    • it has reset, set, clock and data
      • Basically set and reset are asynchronous so it has priority over data and clock, whereas data and clock must be in sync like data 1 and then has to wait for clock 1 to turn on
        • A major down side to D flip flop is that when set and reset are enabled it enters an invalid state
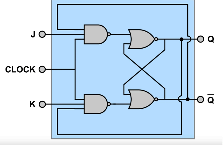
  • JK flipflop

    • Instead of haveing a clock/enable pin in a 2 input and gate it uses a 3 input nand gate