Encoder
-
An encoder is a circuit (can be represented as gates) that turns a set of signals into
-
These allow us to become so powerful :)
-
7 Seg Encoder
-
-
our truth table for a the encoder up to 9 is

- as you can see that we are stopping at 9, but in our labs we usally use hex to go up to 15
-
To simplify our expression we use karnough maps for each output (so seven k maps :))

- in this case since we are only going up to 9 we have all the outputs for anything higher to be dont care because we cant have invalid shit
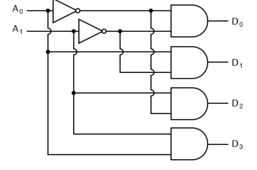
Decoder
-
A decoder is a circuit (can be represented as gates), that changes a code into a set of signals
-
Decoders are usually more simple to design
-
Common types of Decdoders
-
1-2 Line decoder
- takes an n-digit binary number and decodes it into 2^n data


- this can be extrapolated to more bits and stuff
-
1-4 Line decoder
- truth table

- we can see that the circuit is
